

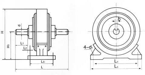
規格型號 | 額定轉矩Nm | 額定電流A | 滑差功率Kw | 磁粉用量g | 冷卻方式 | 外形尺寸 | 軸聯接尺寸 | 機座安裝尺寸 | ||||||||
H | L | d(h) | b | L1 | L2 | L3 | L4 | L5 | H1 | d1 | ||||||
CZS-0.2 | 2 | 0.5 | 0.05 | 10 | 自然 | 106 | 128 | 10 | 消扁 | 20 | 32 | 56 | 88 | 104 | 56 | 6.5 |
CZS-0.5 | 5 | 0.6 | 0.13 | 15 | 自然 | 135 | 144 | 12 | 4 | 20 | 22 | 60 | 110 | 125 | 72.5 | 6.5 |
CZS-1 | 10 | 0.8 | 0.26 | 30 | 自然 | 165 | 164 | 12 | 4 | 22 | 32 | 72 | 120 | 150 | 87.5 | 9 |
CZS-2 | 20 | 0.6 | 0.4 | 45 | 雙側散熱筋 | 220 | 196 | 18 | 5 | 30 | 29 | 78 | 155 | 200 | 120 | 11 |
CZS-5 | 50 | 0.8 | 0.5 | 60 | 雙側散熱筋 | 220 | 208 | 22 | 6 | 35 | 30 | 78 | 155 | 200 | 120 | 11 |
CZS-5S | 50 | 0.8 | 1.5 | 60 | 定子水冷 | 245 | 200 | 22 | 6 | 35 | 15 | 100 | 185 | 220 | 135 | 11 |
CZS-10 | 100 | 1.2 | 3 | 120 | 定子水冷雙側散熱筋 | 300 | 294 | 28 | 8 | 55 | 42 | 100 | 185 | 240 | 165 | 13 |
CZS-20 | 200 | 2.5 | 5 | 180 | 定子水冷 | 335 | 322 | 35 | 10 | 60 | 38 | 125 | 268 | 320 | 180 | 13 |
CZS-40 | 400 | 2.2 | 7 | 380 | 定子水冷 | 400 | 342 | 45 | 14 | 70 | 26 | 150 | 300 | 360 | 210 | 13 |
CZS-63 | 630 | 2.5 | 9 | 500 | 定子水冷 | 440 | 428 | 60 | 18 | 100 | 50 | 130 | 340 | 400 | 240 | 17 |
CZS-100 | 1000 | 2.5 | 11 | 1000 | 定子水冷 | 520 | 518 | 60 | 18 | 100 | 49 | 220 | 430 | 500 | 280 | 17 |
CZS-200 | 2000 | 3 | 15 | 1800 | 定子水冷 | 610 | 560 | 75 | 20 | 110 | 45 | 250 | 520 | 600 | 325 | 22 |
CZS-500 | 5000 | 3 | 18 | 4200 | 定子水冷 | 818 | 700 | 90 | 25 | 140 | 50 | 320 | 600 | 700 | 430 | 22 |
CZS-1000 | 10000 | 4 | 25 | 6800 | 定子水冷 | 1125 | 770 | 120 | 32 | 160 | 45 | 360 | 900 | 1050 | 600 | 26 |
CZS-2000 | 20000 | 4 | 32 | 8000 | 定子水冷 | 1425 | 890 | 155 | 40 | 180 | 105 | 320 | 1300 | 1450 | 750 | 34 |

雙出軸機座式磁粉制動器概述
雙出軸機座式磁粉制動器是根據電磁原理和利用磁粉傳遞轉矩的。其具有激磁電流和傳遞轉矩基本成線性關系的特點。在同滑差無關的情況下能夠傳遞一定的轉矩,具有響應速度快、結構簡單、無污染、無噪音、無沖擊振動節約能源等特點。
磁粉制動器是一種多用途、性能可靠的自動控制元件。連軸節的連接配合上建議選用間隙配合。嚴禁軸向敲打。在使用前應進行跑合轉,通過20%左右的額定電流運轉幾秒后斷電再通電,反復幾次。500N.m以上的制動器。部份磁粉另裝??稍谂芎现?,將磁粉從上端磁粉加注口,在不通激磁電流的情況下邊轉動邊逐漸注入。







.jpg)
蘇公網安備 32062102000172號