
一、產品概述
1、概述
TC818張力控制器采用圖形液晶顯示器,可選擇中、英文顯示,界面友好易用,可輸出0?24V/4A或 0?36V/3A直接驅動磁粉離合器,磁粉制動器,也可以輸出0?5V,4?20mA,-5V~+5V信號,控制變頻器,伺服電機或其它執行機構,對卷料系統進行髙粘度的張力控制。可廣泛應陽于造紙、印刷、包裝、紡織卬染等行業。
TC818可以設置為全自動張力控制器或卷徑張力控制器,當功能選擇[29][1]設置為自動張力控制時,TC818為全自動張力拉制器,需安裝張力傳感器,組成閉環控制系統。當功能選擇[29]設置為卷徑張力控制時,TC818為卷徑張力控制器,只需安裝接近開關/編碼器對料卷半徑進行測量,控制器根據卷徑張力控制。
第四章主要介紹全自動張力控制器的調試及操作,第五章主要介紹卷徑張力控制器的調試及操作。

2、功能特點
采用128x96圖形液品顯爾器,中、英文顯不選擇,操作界面友好。
可選擇全自動張力控制或卷徑張力控制功能。
全數字化設計,無可調電位器,張力標定過程簡單,張力測量精確、穩定、可靠。
可以接收單路/雙路傳感器輸入信號,適應各種張力傳感器作為輸入信號使用:
①.可選用微位移專用張力傳感器(輸入信號范圍為200mV,供電電源5V)
②.可選用應變片式張力傳感器(輸入信范圍為20mV,供電電源10V)
③.可接0?2KΩ電阻信號,測量角度位移,用于浮輥式張力控制系統。
采用接近開關測量卷徑,,可實現錐度張力控制功能。
可選串行通信功能,可選RS485或RS232通訊接口與PLC、PC組成集散系統。
采用無超調PID算法,保證系統啟/停過程中張力無超調。
具有雙軸切換功能及加減速控制功能。
自動/手動控制方式尤擾切換。
數密碼保護,防止誤修改。
采用適應性強的開關屯源(92?264V),保證長期可靠運行。
[1]控制器參數,[]里的數字表示參數序號,所有的參數都以該形式表示。
3、型號定義
TC818張力控制器硬件采用模塊結構,型號定義如下:


例如:
(1) TC818-36V/0/0/0-V3.00表示主輸出為36V/3A,軟件版本號為V3.00的張力控制器。
(2) TC818-24V/V05V05V0-V4.00表示主輸出為24V/4A,輔助輸出1和輔助輸出2為0~5V,軟件版本號為V4.00的張力控制器。
4、操作界面及操作簡介

1、Set/Esc鍵:用這兩個鍵可以進行各種菜單的選擇或設定的確認。
Set鍵:進入下級菜單或確認執行。
Esc鍵:返回上級菜單或確認返回。
2、自動/手動切換鍵及指示燈
按此鍵可實現自動控制模式和手動控制模式的雙向無擾切換。
當控制器工作在自動控制模式時,自動控制指示燈(AUTO)點亮,可旋轉數值設定旋鈕或按遞增鍵/遞減鍵修改張力設定值,按AUTO/MAN鍵可切換到手動控制模式。
控制器處于停止運行狀態時,AUTO指示燈閃爍。
當控制器工作在手動控制模式時,手動控制指示燈(MAN)點亮,可旋轉數值設定旋鈕或按遞增鍵/遞減鍵直接修改輸出值,按AUTO/MAN鍵可切換到自動控制模式。
當控制器從手動控制模式切換到自動控制模式時,控制器將此時的測量值設置為設定值,實現無擾切換。
當張力測量出錯,顯示故障代碼時,控制器將自動切換到手動控制模式,按AUTO/MAN鍵也不能切換到自動控制模式。
3、輸出開關鍵及指示燈
此鍵控制輸出開關,重復按此鍵,輸出則在ON/OFF之間切換。
允許輸出時,OUTPUT ON/OFF指示燈亮;
禁止輸出時,OUTPUT ON/OFF指示燈火,LED品示器顯示OFF,輸出值為0.0%。
4、LED顯示切換鍵及指示燈
按此鍵可使LED顯示窗分別顯示張力測量值(kg/N指示燈點亮),輸出值(%指示燈點亮),卷徑大小(mm指示燈點亮)。
5、鍵鎖定鍵
當控制器處于“自動控制”或“手動控制”顯示界面時,此鍵用于鎖定(防止誤操作)或解鎖,鍵鎖定后將使遞增鍵 、遞減鍵、Set/Esc鍵、自動/手動切換鍵、輸出開關鍵和數值設定旋鈕失效。
LOCK指示燈亮表示鎖定,LOCK指示燈滅表示未鎖定。
如果功能選擇[29]設置為卷徑張力控制,當處于“密碼輸入”顯示界面,按此鍵將使卷料半徑恢復為初始卷徑R1,如果此時控制方式[30]設置為曲線程序控制,按此鍵可進入“卷徑-輸出”參數設置菜單查看或修改曲線程序。
6、OUT:輸出指示燈
該指示燈為綠色,指示燈的亮度與輸出值大小相關,輸出值越大,指示燈越亮。
當輸出值為零時,OUT指示燈熄火。
7、OUTA:A軸輸出指示燈
該指示燈為紅色,當A軸輸出時,指示燈亮。
8、OUTB :B軸輸出指示燈
該指示燈為紅色,當B軸輸出時,指示燈亮。
9、ALM:張力報警指示燈
該指示燈為紅色,在張力系統運行過程中,根據報警輸出[44]和張力報警值[04]的設置,當滿足報警條件是,ZT繼電器動作,產生報警信號。在系統啟動/停止、軸切過程中不報警。詳細見報警功能。
10、COM:通訊指示燈
該指示燈為紅色,TC818接收到上位機發送的有效命令,應答回數據時COM燈點亮。
二、安裝與電氣連接
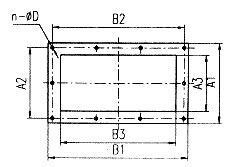
1、外形尺寸

2、安裝
TC818張力控制器可采用水平安裝、立面安裝或屏式開孔安裝方式:

3、電氣連接
3.1接線注意事項
[1]輸入、輸出信號等若電線應遠離儀器電源線、動力電源線等強電線,以避免產生信號干擾。
[2]輸入、輸出等弱電端子切記不能接強電,否則將燒毀整個儀表,千萬不可大意。
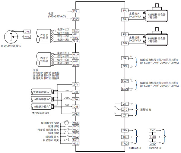
3.2接線圖


3.3接線端子說明
接線排1:
序號 | 名稱 | 類型 | 技術參數 | 說明 |
1 | PSL, PSN | 輸入 | 1.85VAC-264VAC | 接220V AC電源 |
2 | ZT, ZTC | 輸出 | 張力報警輸出 | |
3 | PA, NA | 輸出 | 輸出24V/4A 或 36V/3A | 接A軸磁粉離合器或磁粉制動器 |
4 | PB, NB | 輸出 | 輸出24V/4A 或 36V/3A | 接B軸磁粉離合器或磁粉制動器 |
5 | MCC | 輸入 | 外部輸入開關信號公共端 | |
6 | MC1 | 輸入 | 外部啟動/停止控制信號輸入端子 | |
7 | MC2 | 輸入 | 外部雙軸切換控制信弓輸入端子 | |
8 | MC3 | 輸入 | 外部加速控制信號輸入端子 | |
9 | MC4 | 輸入 | 預備輸出選擇開關輸入端子 | |
10 | MC5 | 輸入 | 外部減速控制信號輸入端子 | |
11 | MC6 | 輸入 | 輸出ON/OFF控制信弓輸入端子 | |
12 | +24V, GND | 輸出 | 外部接近開關(或旋轉編碼器)供電電源 | |
13 | DIO | 輸入 | Zui高頻率15kHz | 主軸接近開關輸入端子 |
接線排2:
序號 | 名稱 | 類型 | 技術參數 | 說明 |
1 | DIA | 輸入 | 摔15kHz | A軸接近開關輸入端子 |
2 | DIB | 輸入 | Zui高頻率15kHz | B軸接近開關輸入端子 |
3 | GRL | 輸入 | 輸入信弓范圍0?200mV 或0?20mV 或0?2K電阻信號 | 左張力傳感器輸入信號+ |
4 | WHL | 輸入 | 左張力傳感器輸入信號- | |
5 | REDL | 輸出 | 輸出電源電壓5V 或10V | 左張力傳感器電源+ |
6 | BLKL | 輸出 | 左張力傳感器電源- | |
7 | GRR | 輸入 | 輸入信弓范圍0?200mV 或0?20mV | 右張力傳感器輸入信號+ |
8 | WHR | 輸入 | 右張力傳感器輸入信號- | |
9 | REDR | 輸出 | 輸出電源電壓5V 或10V | 右張力傳感器電源+ |
10 | BLKR | 輸出 | 右張力傳感器電源- | |
11 | SA, SN | 輸出 | 0?20mA 或 0-5V | 輔助輸出1 (0?5V,接A軸執行機構) |
12 | EAR EAN | 輸出 | 0?20mA 或 0-5V | 輔助輸出2 (0?5V,接B軸執行機構) |
13 | TR+.TR-.TRG | 輸出 | 接 RS232成 RS485 | RS232/RS485通訊接口 |
14 | +5V.0V | 輸出 | 備用電源 |
三、菜單操作
1、畫面與菜單結構

2、主要畫面介紹
(1)自動控制—恒張力模式運行畫面

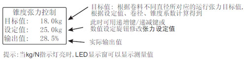
(2)自動控制—錐度張力模式運行畫面

(3)手動控制模式

(4)張力測量值監視

(5)密碼界面

(6)參數菜單

3、參數說明
下表按功能對參數進行了分類


四、自動張力控制
請按以下步驟進行調試:
[1]確保張力控制器安裝及接線正確后接通電源。
[2]確保張力傳感器安裝及接線正確,檢查并判斷張力傳感器信號是否正常。
[3]對張力測量的相關參數進行編程設定。
[4]對張力信號的零點及滿量程進行標定,并確認張力顯示正常,如張力顯示不正常回到步驟[2]。
[5]通過手動調節、運行對系統進行檢查,確認張力顯示正常,執行機構運轉正常。
[6]如以上步驟正常,切換到自動控制模式,根據運行情況對PI參數進行調整,確保張力系統平穩運行。
1、張力測量
1.1張力傳感器安裝及接線
TC818可接受多種張力傳感器輸入信號,對不同的傳感器要進行相應的跳線設置:
[1]微位移專用張力傳感器,輸入信號范圍為200mV,5V供電(如LX系列,和三菱張力傳感器兼容);
當選用此類傳感器時,請將控制板上的跳線JP7,JP8短接,J8跳到+5V,輸出5V電源。
[2]應變片式張力傳感器,輸入信號范圍為20mV,10V供電(如SUP系列,CTS/HTS系列);
當選用此類傳感器時,請將控制板上的跳線JP7,JP8斷開,J8跳到+10V位置,輸出10V電源。
[3]在浮輥式張力系統中,當選用的角度傳感器為0~2KΩ點位器時,請將控制板上的跳線L1短接(為點位器提供恒流源),JP7,JP8短接。

1.2張力測量相關參數設置
為了使控制器能正確測量卷料張力,必須對與張力測量相關的參數進行正確的設置:
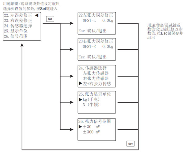
1、傳感器選擇[24]
此控制器可選擇單個或兩個張力傳感器工作,請根據傳感器安裝情況進行設置。
在浮輥式張力系統中,只需接一個角度傳感器(接線端子GRL,WHL),傳感器選擇[24]設力左張力傳感器。
2、顯示單丄立_12.5丄
TC818可以選擇兩種單位顯示張力測量值:“kg (千克)”和“N (牛頓)”。
3、信號范圍 [26]
此控制器可選擇±30mV,±300mV兩種信號范圍,根據安裝的傳感器選擇對應的信號范圍。
如選LX系列張力傳感器,將信號范圍[26]設置為±300mV。
如選SUP/CTS/HTS系列張力傳感器,將信號范圍[26]設置為±30mV。
在浮輥式張力系統中,當選用的角度傳感器為0-2KΩ電位器時,將信號范圍[26]設置為±300mV。
4、左誤差修正[22]/右誤差修整[23]
當測量值發生零點偏移時,如偏移誤差較小,可以對傳感器誤差進行修正,通過修正可以校正零點,所設置的修正值將加到張力顯示值中,如偏移誤差較大,應對控制器進行重新標定。
進行張力標定時,該修正值復位為0。
5、顯不濾波[47]
控制器具有數字濾波算法,可以去除測量信號干擾和跳變,使測量顯示穩定。
濾波系數越大,測量顯示越穩定,但反應變慢,一般設為2.00。
.jpg)
1、3張力標定
為了進行正確的閉環張力控制,張力顯示必須準確,必須對張力控制器進行標定,標定好的張力控制器指示的張力值才能達到現想的精度。TC818張力控制器采用兩點線性標定法,標定過程十分簡單。
(1)注意事項
[1]標記前,確保張力傳感器接線無誤,并確認跳線JP7,JP8, J8, L1, L2位置與所選的傳感器相對應,確認張力傳 感器正常工作,張力信號在所選氧程之內。
[2]如選LX系列張力傳感器,請將控制板上的跳線JP7,JP8短接,J8跳到+5V,信號范圍[26]設置為±300mV。
[3]如選SUP/CTS/HTS系列張力傳感器,請將控制板上的跳線JP7,JP8斷開,J8跳到+10V,信號范圍[26]設置為±30 mV。
[4]在浮輥式張力系統中,當選用的州度傳感器為0?2KL>電位器時,請將控制板上的跳線L1短接(為電位器提供 恒流源),JP7, JP8短接,將信號范圍「261設置為±300mV。
[5]用萬用表200mV檔測量傳感器輸出信號,傳感器未受力時,大約為0mV左右;當傳感器受力時,輸出信號將會有變化:力越大信號越大,但不能超過傳感器的Zui大輸出信號,LX系列張力傳感器不會超過200mV, SUP/CTS/HTS系列張力傳感器不會超過20mV,否則傳感器有故障,需更換、安裝后再標定。
(2)零張力標定
目的:對軸承和檢測輥的毛重負載進行校正。
注意:零張力標定應該在安裝檢測輥,但不加載卷料的狀態下進行。
在浮輥式張力系統中,將浮輥調至Zui低位置,進行零張力標定。

更多詳細介紹 預覽
蘇公網安備 32062102000172號